WMF 1300 S Bean to Cup

Smart, sharp, and engineered for spaces that thrive on efficiency. Delivers quick, premium coffee without compromise. A modern essential for environments where consistency, convenience, and flavour all matter equally.

Introducing the WMF 1300S, a superior coffee machine that encapsulates the essence of professional brewing in a design that's both elegant and functional. Crafted with the precision and quality synonymous with WMF, the 1300S is engineered for those who demand excellence in their cup and efficiency in their brewing process, making it an ideal selection for medium-sized offices, cafés, and discerning households.

At the heart of the WMF 1300S lies a cutting-edge, intuitive touchscreen display that simplifies the coffee selection process, allowing users to effortlessly customise and replicate their favourite beverages. This machine boasts an array of advanced features, including a professional-grade grinder, automatic milk frothing, and the capacity to save individual coffee preferences, catering to a broad spectrum of coffee styles from rich espressos to smooth lattes.

Not only is the WMF 1300S a paragon of technological advancement, but it is also designed with aesthetics in mind. Its contemporary look, characterised by clean lines and a sophisticated silhouette, makes it a statement piece in any environment. Built to withstand the rigours of frequent use, its durable construction assures longevity and consistent performance, ensuring that every cup of coffee is a testament to WMF's legacy of quality.

With its blend of style, sophistication, and superior brewing capabilities, the WMF 1300S is more than just a coffee machine; it's an experience, offering unparalleled coffee quality at the touch of a button. It's the perfect choice for those who seek the ultimate in coffee perfection, combined with the ease and convenience that WMF is renowned for.

WMF 1300 S

Perfect for

The WMF 1300 S excels in medium-sized offices, co-working spaces, and hospitality venues such as cafes and small restaurants where a high-quality coffee service is essential to guest satisfaction.

Its versatility and ease of use make it an excellent choice for locations looking to provide a variety of coffee beverages without the need for extensive barista training. The 1300 S's ability to deliver barista-quality coffee at the touch of a button means that employees, clients, and guests can enjoy their preferred coffee styles, from robust espressos to smooth lattes, enhancing the overall service experience.

The machine's sleek design and compact footprint allow it to blend seamlessly into any environment, adding a touch of sophistication without occupying valuable space. This makes the WMF 1300 S particularly suitable for settings where space is at a premium but quality cannot be compromised.

In addition to its aesthetic appeal, the WMF 1300 S is built to withstand the rigours of frequent use, making it a reliable choice for busy environments. Its intuitive interface and automatic cleaning functions further ensure that maintaining the machine is straightforward, keeping downtime to a minimum and allowing businesses to continue offering exceptional coffee with minimal interruption.

Key features

  • Customisable Coffee Selection: The WMF 1300S allows for up to three hoppers, offering a variety of bean and powder choices for diverse beverage options.
  • Height-Adjustable Spout: This feature ensures optimal cup positioning, maintaining perfect beverage temperature and preventing splashes.
  • Intuitive Menu System: The 7" colour touch display is user-friendly, supporting gestures like swiping and scrolling, and is adaptable for different service settings.
  • Advanced Choc Mixer: Equipped with a magnetic lock for easy handling and maintenance and an integrated sensor to prevent damage.
  • Manual Insert for Additional Coffee Type: Provides flexibility for dispensing different coffee types like decaffeinated coffee, enhancing customer choice.
  • WMF CoffeeConnect: An optional digital platform allowing efficient management and increased profitability through digitalisation and IoT.
  • Drip Tray & Cup Stop: Features protection against overfilling and a sensor that locks the machine if the drip tray is missing, ensuring safety and cleanliness.
  • Robust and Easy Service: Designed for reliability and ease of maintenance, making it a practical choice for busy settings.
  • Optional Cold Milk Beverages: The machine can be equipped to make cold milk beverages, broadening the menu offerings.
  • Compact and Efficient Design: Despite its advanced features, the WMF 1300S maintains a compact footprint, suitable for spaces where efficiency and variety are critical.

Included

  • Bean grinder (single hopper) as standard
  • Touch colour display (7″) for intuitive selection of beverages
  • Hot water output / spout for hot water beverages
  • Automatic (standard) milk system: Basic Milk model (hot milk / foam) included.
  • LED illumination of dispensing area / side-panels
  • Up to two bean hoppers + one powder hopper (for choc/toppings) as standard configuration support
  • Eco mode / energy saving mode built in.

Options

  • Second grinder (to enable alternate bean type, e.g., decaf)
  • Powder dosing mechanism / powder hopper for chocolate, toppings etc.
  • Enhanced milk systems (e.g., Smart Milk, Dynamic Milk Assist) allowing chilled milk, more milk-speciality control.
  • Grounds disposal through counter / external bin (instead of built-in container).
  • Custom branding finishes / colour panels.
  • Telemetry / remote-management system (e.g., WMF CoffeeConnect).
  • Upgrade to mains water connection (if tank version by default) with water filter kit.
  • Installation accessories (plinth/feet), cup-preheater/SteamJet options.

Technical Specs

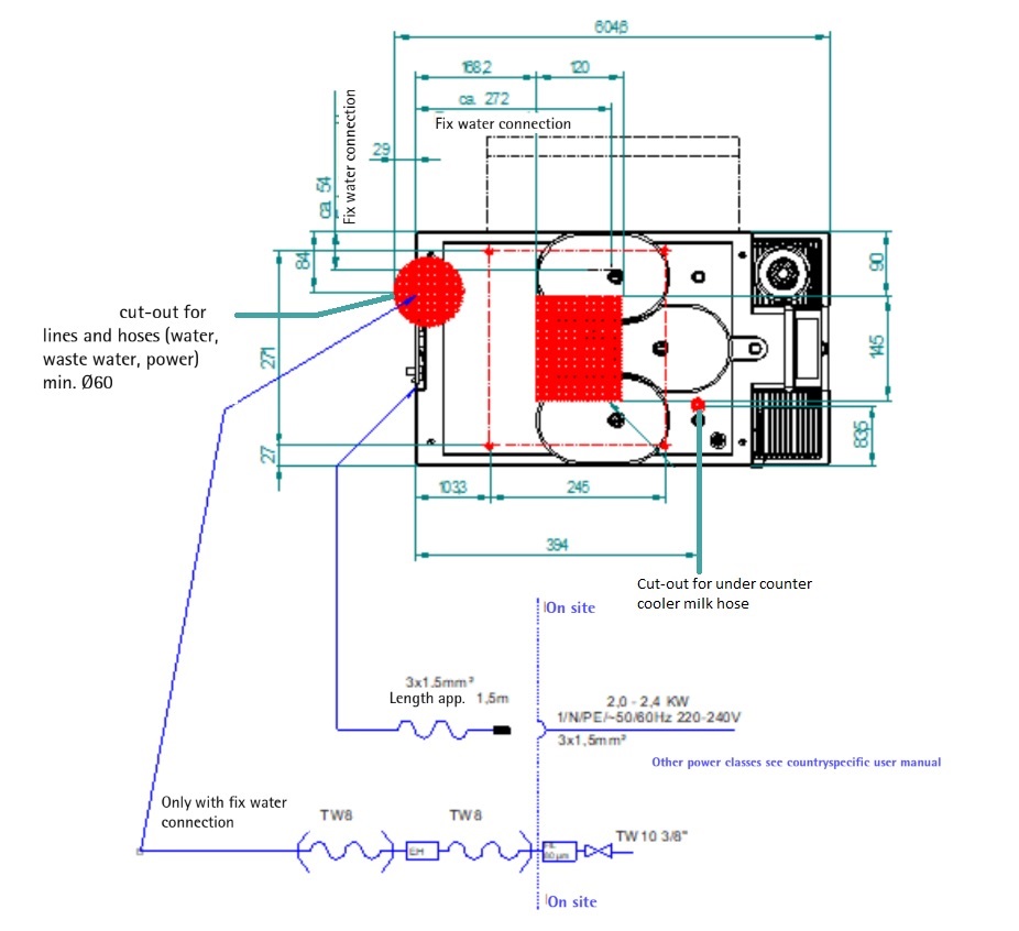
Power Connection

220 - 240 V

Nominal Power Output

2.0 - 2.4 kW

Energy Loss per Day

Approx. 1.02 kWh/day

Continuous Sound Pressure Level (LpA)

< 70 dB(A)

Empty Weight


Approx. 40 kg

Beverage Output

Up to 120 cups/day (recommended)

Hopper and Grinder

Up to 3 hoppers

Display

7'' colour touch display

Service & maintenance

Servicing & Maintenance

At brüud, we understand the importance of maintaining the peak performance of your WMF1500 F, which is why we're thrilled to offer official WMF servicing as part of our comprehensive service plans.

Our expertly crafted plans ensure that your equipment receives the highest standard of care directly from certified WMF technicians.

Whether your business demands regular maintenance checks or you're looking for more inclusive coverage, our service plans are designed to keep your machines running smoothly and efficiently.

WMF Engineers

At brüud, we're committed to providing unparalleled service to our clients, which is why we exclusively use WMF engineers for all our installations and service call-outs.

This collaboration ensures you receive the ultimate care, benefiting from engineers who are not just experts in their field but are also intimately familiar with every nuance of WMF machinery, meaning a faster, more efficient service with fewer disruptions to your business, and the peace of mind that your coffee machines are maintained to the highest standards.

With brüud and WMF, you're not just getting a service; you're investing in a partnership that prioritises the excellence and reliability of your coffee offerings.

Purchase options

Purchase Options

brüud takes pride in offering a versatile range of commercial machines, designed to meet the diverse needs of businesses across various industries.

Understanding that each enterprise has unique requirements, brüud presents four distinct purchase options, each tailored to different business models and operational scales.

Whether you're a startup looking for cost-effective solutions or an established enterprise seeking premium, high-capacity machines, our selection ensures that you find the perfect fit for your business.

Explore our options to discover how brüud can elevate your operations with cutting-edge technology and unparalleled support.

We do coffee too

Artisan Coffee
A stunning collection of 100% Arabica coffees, chosen from some of the world's finest coffee estates. Generations of experience and skill ensure each coffee harvest brings abundant flavour and aroma. Try one of our single origin coffees, or from our expanding range of 100% Arabica blends.

Speciality Coffee
A selection of the most famous coffees in the world. Our speciality range has been created to bring you rare and exciting coffees you may of heard about, but never tried. Click on one of the speciality coffees to learn more about their history and what makes them so special.

Coffee Syrups
Elevate your coffee with our delightful range of syrups, offering an array of enticing flavours. From velvety caramel to indulgent hazelnut, each syrup adds a twist to your cup. Customise and create your own unique taste sensation, making every sip a moment of pure pleasure.

Tea
A master tea smith has combined some of natures finest teas, herbs and botanicals to bring you a tea experience like no other. 100% natural fruits, herbs & spices are combined to produce beautiful tasting teas, presented in a stunning bio-degradable silk style bag.

WMF Coffee Connect

WMF Coffee Connect

Discover the future of coffee service with WMF's Coffee Connect, where your business's efficiency meets innovation.

This platform is your personal assistant in optimising coffee operations, offering you real-time data on your machine's performance. Imagine being able to address maintenance needs before they become issues, understand your customers' preferences in detail, and tailor your coffee offerings to perfection.

With Coffee Connect, you gain insights that empower you to make data-driven decisions, ensuring every cup of coffee you serve is a testament to your commitment to quality and customer satisfaction. Embrace the digital revolution in coffee service with Coffee Connect and transform your business into a beacon of excellence.

Download our Coffee Connect Guide here

Bruud's client portal

Client Portal

Where managing your fleet of coffee machines becomes not just easier, but a truly personalised experience.

Imagine a place where every need is just a click away - from ordering essential cleaning materials & parts to exploring exciting upgrades like Syrup Stations and Cup Racks, even being able to place repeat orders for your favourite coffee, ensuring your supply never runs low.

Designed with you in mind, this portal makes it simple to keep your coffee service running smoothly, letting you focus on what matters most: delighting your customers with every cup. Welcome to a world of efficiency and personalisation, tailored just for you by brüud.

Portal Login

Questions we are often asked:

What’s the difference between buying a coffee machine and building a coffee experience?

Anyone can buy a coffee machine. But creating a consistent, high-quality coffee experience that customers love — that’s where expertise, service, and training matter. At Bruud, we don’t just supply machines; we help build your entire coffee setup from bean to cup.

How do I know which type of coffee machine suits my business?

Choosing the right model depends on how many coffees you serve, who’s making them, and how quickly you need to serve them. We help you work this out — whether that’s a bean-to-cup system for a busy office or a traditional espresso machine for a café that prides itself on craft.

Is it better to buy, lease, or rent a coffee machine?

It depends on your cash flow, forecast, and goals. Leasing can protect your capital and include maintenance; buying can be smarter long-term. We’ll walk you through the real numbers — not just the sales pitch — to help you choose what works for your business.

Why do two machines with similar specs make coffee that tastes completely different?

Build quality, water filtration, grinder precision, and calibration all play a role. We partner with world-leading brands because the engineering behind your machine directly affects taste, reliability, and longevity.

How important is after-sales support, really?

It’s the difference between a five-minute fix and five days of downtime. Bruud offers full support, maintenance, and training so your machine keeps delivering — because a broken machine means lost customers (and cold coffee).

What hidden costs should I watch out for?

Cheap machines often mean costly maintenance, poor efficiency, and inconsistent results. We’re transparent about pricing — including service plans, cleaning products, and consumables — so you know exactly what you’re investing in.

Can a commercial coffee machine really improve staff morale or customer satisfaction?

Absolutely. In offices, it boosts productivity and workplace culture. In hospitality, it enhances reputation and repeat business. The quality of your coffee says a lot about your brand — and we make sure it says the right thing.

How eco-friendly can a coffee setup be?

Modern commercial machines are more energy-efficient than ever, and we can advise on water-saving, waste-reducing options — from eco modes to fully recyclable capsules and filters. Sustainability doesn’t have to mean compromise.

What’s the difference between a domestic and a commercial coffee machine?

Commercial machines are built for consistency, speed, and longevity. They’re designed to deliver hundreds (or thousands) of cups daily, without losing flavour or performance. Domestic units simply aren’t built to cope with that level of demand.

Why choose Bruud over buying a machine online?

Because you’re not just getting a machine — you’re getting a partner. We tailor solutions, handle installation, offer full training, and keep you brewing perfectly day after day. When your business depends on great coffee, that peace of mind is priceless.

WMF 1300 S Professional Bean to Cup Coffee Machine

WMF | WMF 1300 S
from £22.44 per week
Purchase
Lease
Rent
120 Cup Capacity Auto Clean Tank Or Plumbed Low Noise Cup Warmer 3 Hopper Option

This machine will make

Americano White Cappucino White Espresso White Flat White White Mocca White Latte White Hot Chocolate White Hot Water White
Contact Details

by continuing, I give my consent for bruud to store my information and contact me regarding any matter relating to the content of the bruud website.

Contact Details

by continuing, I give my consent for bruud to store my information and contact me regarding any matter relating to the content of the bruud website.

Tell us about your machine

Service / Error
Serviced Before?
Do you have a Service Plan with Bruud?
Do you have an error code?